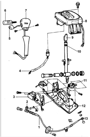
Hyundai Accent: Рычаг селектора

Рычаг селектора
1 – трос управления коробкой передач;
2 – гайка;
3 – соленоид замка блокировки;
4 – провод и лампа подсветки панели управления коробкой передач;
5 – O/D выключатель;
6 – кнопка;
7 – ручка;
8 – панель управления коробкой передач;
9 – регулировочный кулачок рычага;
10 – рычаг селектора;
11 – выключатель нейтрального положения коробки передач;
12 – кронштейн;
13 – соединительный наконечник троса.
Ремонт коробки передач
Коробка передач представляет собой очень сложный агрегат и ее ремонт необходимо
производить в специализированной мастерской. Также при снятии и установке многих
деталей необходимо измерить зазоры ...
Снятие
ПОРЯДОК ВЫПОЛНЕНИЯ
1. Снимите центральную консоль.
2. Выверните винты крепления ручки рычага селектора.
3. Отсоедините разъем выключателя ускоряющей передачи, достаньте три контакта
из разъема ...
Другое на сайте:
Подбор вкладышей коренных и шатунных подшипников коленчатого вала
ПОРЯДОК ВЫПОЛНЕНИЯ 1. В первую очередь необходимо определить размерную группу
коренных и шатунных шеек коленчатого вала, т.е. выяснить имеют ли они стандартный
размер, либо подвергались проточке. ...
Электронная система управления зажиганием (и впрыском) бензиновых двигателей
- Общая информация, описание принципов функционирования и меры предосторожности
Общая информация
Система зажигания бензинового двигателя интегрирована с системой впрыска топлива
и управляется единым блоком электронного управления ECM (см. Главу Системы питания,
выпуска и ...
Вторичный вал коробки передач - Разборка
ПОДШИПНИК И ШЕСТЕРНЯ 4-ОЙ ПЕРЕДАЧИ
ПОРЯДОК ВЫПОЛНЕНИЯ
Используя пресс и специальное приспособление OK201 172 008 снимите шестерню
4-ой передачи.
ШЕСТЕРНИ 2-ОЙ И 3-ЕЙ ПЕРЕДАЧ
ПОРЯДОК ВЫ ...
