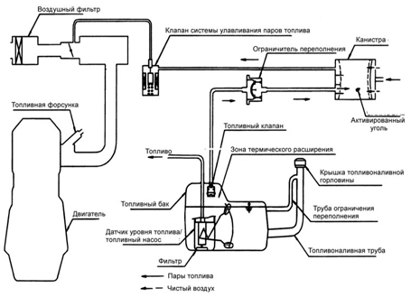
Hyundai Accent: Система улавливания паров топлива

Схема системы улавливания паров топлива
Система улавливания паров топлива предотвращает испарение паров топлива в атмосферу из топливного бака, в результате чего предотвращается образование фотохимического смога.
Пары топлива аккумулируются в канистре с активированным углем. При работе двигателя электронный блок управления открывает клапан, и пары топлива поступают в двигатель, где и происходит их сгорание.
Контрольный клапан используется для управления давлением паров топлива в топливном баке.
Проверка
ПОРЯДОК ВЫПОЛНЕНИЯ
1. Отсоедините вакуумный шланг от дроссельного узла и вместо него подсоедините
вакуумный насос с вакуумным шлангом.
2. Проверьте следующие параметры на холодном двигателе при температуре охлаждающей
жидкости менее 60°C и на горячем двигателе при температуре охлаждающей жидкости
более 80°C.
Холодный двигатель

Холодный двигатель
Клапан вентиляции картера
Снятие
ПОРЯДОК ВЫПОЛНЕНИЯ
1. Отсоедините шланг от клапана вентиляции картера. Снимите клапан с крышки головки
цилиндров и подсоедините его к шлангу вентиляции картера.
2. Пустите двигатель на час ...
Канистра с активированным углем
Проверка
ПОРЯДОК ВЫПОЛНЕНИЯ
1. Проверьте надежность всех соединений и отсутствия повреждений трубок для паров
топлива.
2. Проверьте герметичность трубок.
3. После снятия канистры визуально про ...
Другое на сайте:
Внутренняя обивка салона
Внутренняя обивка салона
1 – накладка порога;
2 – нижняя обивка передней стойки;
3 – нижняя обивка средней стойки;
4 – верхняя обивка передней стойки;
5 – задняя полка.
Снятие
Обивка передней ...
АВАРИЙНЫЙ ПУСК - Прикуривание
«Прикуривание», если неправильно проводится, может быть опасно.
Поэтому во избежание получения травм или повреждения автомобиля или аккумулятора
рекомендуется применять правила запуска от аккумулят ...
Подушка безопасности - общая информация, меры предосторожности и деактивация
системы
Водительская и пассажирская подушки безопасности входят в стандартную комплектацию
некоторых моделей. На прочих моделях подушки могут устанавливаться в качестве дополнительной
комплектации. Центра ...
