Kia Rio: Воздушный фильтр (ACL)
ОБЩИЕ СВЕДЕНИЯ Снимите все элементы в последовательности, показанной на рисунке.

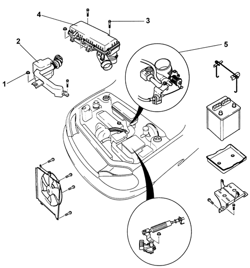
Воздушный фильтр (ACL) и элементы моторного отсека
1 – гайка, 7,8–11 Нм;
2 – заборник свежего воздуха;
3 – болт, 7,8–11 Нм;
4 – узел воздушного фильтра;
5 – трос акселератора

Проверка фильтрующего элемента воздушного фильтра
Проверьте фильтрующий элемент воздушного фильтра на отсутствие чрезмерного загрязнения, повреждения или попадания на него масла.
Предупреждение Для очистки фильтрующего элемента используйте сжатый воздух, подавая его с внутренней стороны фильтрующего элемента. При необходимости, замените фильтрующий элемент воздушного фильтра.
Проверка шатунных и коренных вкладышей
ПОРЯДОК ВЫПОЛНЕНИЯ
Проверьте шатунные и коренные вкладыши на отсутствие местной коррозии,
выработки и др.
Выбор коренных вкладышей коленчатого вала
Определите коды на блоке цилиндров и коле ...
Трос акселератора
ПОРЯДОК ВЫПОЛНЕНИЯ
1. Нажмите педаль акселератора до упора и проверьте, что дроссельная заслонка
полностью открылась. При необходимости отрегулируйте положение оболочки троса
акселератора, вращ ...
Другое на сайте:
Педальный узел - Снятие и установка
Отсоединение педали тормоза от толкателя вакуумного усилителя
1 – педаль тормоза; 2 – кронштейн; 3 – металлический стержень
Педальный узел
1 – педаль тормоза; 2 – накладка; 3 – пластмассовая вт ...
Водяной насос - Дизельные модели - снятие и установка
СНЯТИЕ ПОРЯДОК ВЫПОЛНЕНИЯ 1. Опорожните систему охлаждения.
2. Снимите генератор.
3. Не отсоединяя гидравлические линии, отболтите рулевой насос от своих опор
(см. Главу Подвеска и рулевое управле ...
Снятие и установка компонентов систем ABS - Датчики передних колес
СНЯТИЕ ПОРЯДОК ВЫПОЛНЕНИЯ 1. Отсоедините отрицательный провод от батареи.
2. Взведите стояночный тормоз, затем поддомкратьте передок автомобиля и установите
его на подпорки. Снимите соответствующее ...
