Hyundai Accent: Впускной коллектор и воздушная камера

Впускной коллектор и воздушная камера
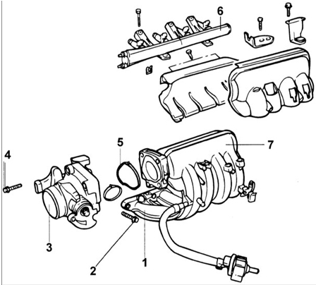
1 – впускной коллектор;
2 – болт, 15–20 Н•м;
3 – дроссельный узел;
4 – болт, 15–20 Н•м;
5 – прокладка;
6 – топливная магистраль;
7 – воздушная компенсационная камера.
Снятие
ПОРЯДОК ВЫПОЛНЕНИЯ

1. Отсоедините разъемы от датчиков измерителя расхода воздуха и положения дроссельной заслонки.

2. Снимите впускной воздушный патрубок, соединенный с дроссельным узлом.
3. Снимите трос акселератора.
4. Снимите шланг вентиляции картера и вакуумный шланг вакуумного усилителя тормозов.
5. Разъедините соединения вакуумного шланга.
6. Снимите опору воздушной камеры.
7. Снимите воздушную камеру и прокладку.
8. Отсоедините разъем жгута проводов от топливных форсунок.
9. Снимите топливную магистраль с топливными форсунками.

Предупреждение
Будьте осторожны, чтобы не уронить топливные форсунки при снятии топливной магистрали.
10. Снимите изолятор из впускного коллектора и отсоедините шланг отопителя.

11. Снимите впускной коллектор.
Проверка
ПОРЯДОК ВЫПОЛНЕНИЯ
1. Проверьте воздушную камеру на отсутствие дефектов или трещин.
2. Проверьте впускной коллектор на отсутствие повреждений или раскалывания любой
ее части.
3. Проверьте воздушный патрубок на отсутствие повреждений или раскалывания любой
его части.
Установка
ПОРЯДОК ВЫПОЛНЕНИЯ

1. Установите топливную магистраль с закрепленными на ней топливными форсунками.
Предупреждение
Будьте осторожны, чтобы не уронить топливные форсунки при снятии топливной магистрали.
2. Проверьте, что изоляторы правильно вставлены в отверстия топливной магистрали.
Выпускной коллектор
Выпускной коллектор
1 – болт, 15–20 Н•м;
2 – теплозащитный экран;
3 – шпильки, 15–20 Н•м;
4 – прокладка выпускного коллектора;
5 – выпускной коллектор.
Проверьте выпускной коллектор на отсутст ...
Блок цилиндров
Передний кронштейн блока цилиндров двигателя SOHC
Разборка
ПОРЯДОК ВЫПОЛНЕНИЯ
1. Снимите головку цилиндров, зубчатый ремень, переднюю крышку, маховик, поршни
и коленчатый вал.
2. Специальным ...
Другое на сайте:
Номинальные размеры, предельные износы, зазоры и натяги в основных сопряженных
деталях двигателя, мм
Номинальные размеры, предельные износы, зазоры и натяги в основных сопряженных
деталях двигателя, мм
Номинальные размеры, предельные износы, зазоры и натяги в основных сопряженных
деталях д ...
Замена ремня привода генератора
Детали привода генератора (автомобиль без кондиционера)
1 – болт крепления шкива коленчатого вала; 2 – шкив с гасителем крутильных колебаний;
3 – болт крепления натяжного устройства; 4 – натяжное ...
Приводные валы
Приводные валы
1 – динамический демпфер;
2 – стопорное кольцо;
3 – корпус шарнира (внешнее кольцо);
4 – стопорное кольцо;
5 – опора роликов трипоидного соединения;
6 – защитный чехол;
7 – ШР ...
