Hyundai Accent: Зубчатый ремень

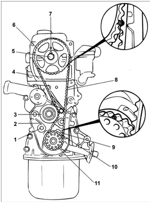
Зубчатый ремень
1 – болт, 20–27 Н•м;
2 – пружина механизма натяжения;
3 – ролик натяжения зубчатого ремня;
4 – свободная сторона зубчатого ремня;
5 – болт, 80–100 Н•м;
6 – шкив распределительного вала;
7 – установочный штифт;
8 – сторона натяжения зубчатого ремня;
9 – установочная метка (указатель) на передней крышке;
10 – установочная метка на шкиве коленчатого вала;
11 – шкив коленчатого вала.
- Снятие
- Проверка
- Описание - Дефект
- Шкивы и ролик механизма натяжения зубчатого ремня
- Установка механизма натяжения зубчатого ремня
- Установка
Технические данные
Технические данные
Система охлаждения
Система охлаждения
Охлаждающая жидкость
Охлаждающая жидкость
Моменты затяжки, Н•м
Моменты затяжки, Н•м ...
Снятие
ПОРЯДОК ВЫПОЛНЕНИЯ
1. Ослабьте болт крепления шкива водяного насоса.
2. Ослабьте болт крепления генератора.
3. Снимите шкив водяного насоса и ремень.
4. Снимите шкив коленчатого вала.
5. Снимите ...
Другое на сайте:
Треханкерные ремни безопасности инерционного типа
Ремни безопасности инерционного типа совершенно не стесняют свободу движений
пристегнутых ими лиц.
При резком торможении или маневрировании автомобиля происходит автоматическая
блокировка барабан ...
Передняя дверь - Замена цилиндра замка
Снятие цилиндра замка
1 – наружная ручка; 2 – цилиндры; 3 – заглушка; 4 – болт; 5 – торцовый ключ
Детали замка двери
1 – замок; 2 – тяга наружной ручки; 3 – кронштейн; 4 – держатель; 5 – винт ...
Антиблокировочная система (ABS) - Замена датчика частоты вращения колеса
ДАТЧИК ПЕРЕДНЕГО КОЛЕСА ПОРЯДОК ВЫПОЛНЕНИЯ 1. Поднимите и установите на надежные
опоры переднюю часть автомобиля.
2. Отсоедините колодку с проводами от датчика 10 (см. рис. Передний тормозной
мех ...
